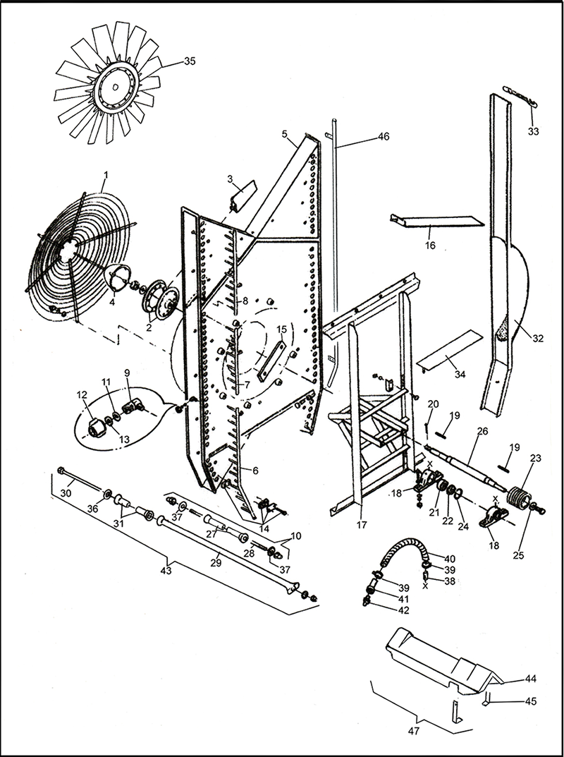
Ventilador Bilateral - Cod 10700

Clique para ampliar


ItemDescriçãoCódigoPreçoIPIQtde
1Tela protetora1101660,533,25
2Cubo da hélice 16 P.107021208,980,00
3Pá da hélice 37.5 16P. (Abaixo de 75cv)10703/37.5114,973,25
3Pá da hélice 45 (Mínimo 78cv)10703/45114,973,25
3Pá da hélice 47 (acima de 85cv)10703/47114,973,25
4Capa da hélice 16 P.10704232,940,00
5Caixa do ventilador1070516500,000,00
6Encanamento, inferior direito10706/D984,683,25
6Encanamento, inferior esquerdo10706/E984,683,25
7Encanamento central direito10707/D579,223,25
7Encanamento esquerdo10707/E579,223,25
8Encanamento, superior direito10708/D737,213,25
8Encanamento, superior esquerdo10708/E737,213,25
9Cotovelo plástico7098,830,00
10Conj. distanciador 140mm1075045,103,25
11Difusor7113,220,00
12Porca plástica7122,920,00
13Disco cerâmico nº 3713/37,680,00
13Disco cerâmico nº 4713/47,680,00
13Disco cerâmico nº 5713/57,680,00
13Disco cerâmico nº6713/67,680,00
14Abraçadeira plástica 1/2" (compl.)71828,063,25
15Suporte10721112,053,25
16Defletor superior10722171,033,25
17Quadro do ventilador (especificar modelo de turbina nas observações)107243697,723,25
18Mancal4514206,390,00
19Chaveta 3/8" x 68mm60712,393,25
20Cupilha 5/32" x 2 1/2"5113,080,00
21Rolamento 6309 C3115271,270,00
22Tampa do mancal4516/5129,460,00
23Polia dia 135 6VB727/6421,670,00
24Anel trava MKI 100450825,050,00
25Arruela da polia112921,093,25
26Eixo1130589,793,25
32Tampa da caixa10743837,390,00
33Cinta de borracha1004144,250,00
34Defletor inferior10746171,033,25
35Hélice montada (16 pás)107472586,053,25
38Terminal p/ mancal 1/4" x 3/8"812411,193,25
39Abraçadeira 131960897,570,00
40Mangueira 3/8"019230,800,00
41Terminal p/ graxeira812319,163,25
42Graxeira 1/8" gas reta68783,710,00
43Conjunto distanciador 540mm1075183,123,25
35Hélice montada (12 pás) 7472211,573,25
2Cubo da hélice 12P.702737,213,25
3Pá da hélice 12 P. 731114,973,25
4Capa da hélice 12 P.1140191,683,25
44Capa de proteção do mancal10753109,710,00
45Presilha1075510,963,25
47Conjunto Proteção do mancal10756158,463,25
46Proteção ventilador10752877,613,25

Todos os direitos reservados
© Copyright 2026 | Natali - Equipamentos Agrícola

Utilizamos cookies para melhorar a sua experiência, personalizar a publicidade e recomendar conteúdos de seu interesse. Ao 'Prosseguir' você concorda com o monitoramento.

Para mais informações, consulte a nossa Política de Privacidade e Política de Cookies

Prosseguir